Consegna in 4 giorni I Spedizione 12,50€
Seleziona la tua autovettura

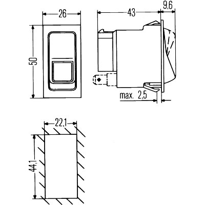
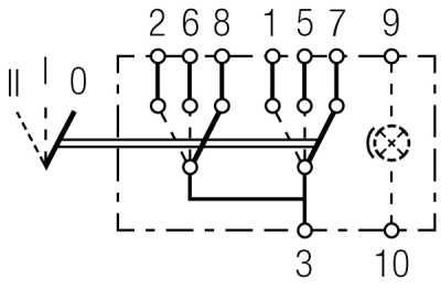
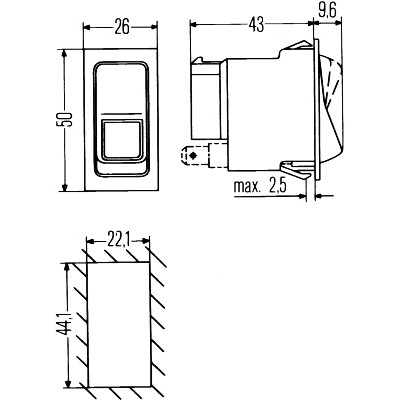
Interruttore/Comando/Innesto HELLA 6RH 004 570-361

Spedizione 12,50€
15,81
IVA inclusa

Non disponibile

/

Primi marchi


/

Consegne veloci


/

Esperti in meccanica

Caratteristiche:
Montaggio/smontaggio necessario da parte di pers. tecnico!:
N° raccordi: 5
Tipo comando: Comando ribaltamento
Variante di dotazione: II+I-0
Codice EAN:
4082300190977, 4082300190977
Articoli OEM:
CASE IH: 1983262C1
EBERSPÄCHER: 117030000
FAUN: 1727-122
GOLDHOFER: 111202600
HEULIEZ: 0190691400
LEONI: 10-5002099
LIEBHERR: 1 050 020 99
LINDE: 000 973 26 13
SWF: 511 083, 511 084
Veicoli compatibili:

Consulta en el manual del vehículo si este producto es adecuado para tu coche o escribenos por el chat o email y te ayudaremos